Каталог

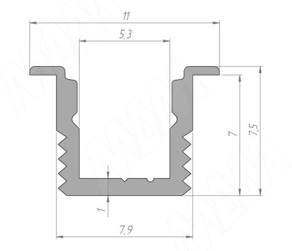
Профиль FМ8 врезной узкий, для ленты с основанием 5мм. белый матовый, 11х7,5мм L-3000 LSP-FM8-ALU-3000-WHM (без рассеивателя)

New
Артикул товара: 53575
Избранные товары

Описание

Применение: врезной тонкий профиль предназначен для установки светодиодной ленты шириной до 5 мм
Материал: алюминий

Преимущества:

  • современный тренд в дизайне — тонкая линия ровного свечения шириной 5 мм;
  • имеет плоскую поверхность, что позволяет не делать фрезеровку полки в месте стыка при вертикальном монтаже подсветки на корпусе;
  • простота монтажа;
  • защита светодиодной ленты от механических повреждений.

Цена в Уфе
845,78 ₽ / шт

Наличие товара в городах
Челябинск 1 шт
Уфа 2 шт
Тюмень нет в наличии

Выбрать город
Челябинск
Челябинск, ул. Шарова, 77
+7 (351) 734-97-98 (многоканальный)
Уфа
Республика Башкортостан, Уфа, Базисный проезд, 4
+7 (347) 216-55-40 (многоканальный)
Тюмень
Тюмень, Московский тракт, 136/9
+7 (3452) 66-63-33 (многоканальный) , +7 982 972-27-33