Каталог
Главная
Каталог
Избранное
0
Корзина
0
Войти
Уфа
Квадрат
О компании
Новости
Вакансии
Контакты
Документы
Политика конфиденциальности
Пользовательское соглашение
Соглашение об использовании cookie
Покупателям
Прайсы
Услуги Цеха
Доставка и оплата
Наши партнеры
Материалы для скачивания
Egger
Lamarty
SyPly
Каталог
Плитные материалы
Фурнитура
Столешницы
Компакт-плиты EGGER
Пластик EGGER
Мой EGGER
Фасады
Каталог
Новости
Контакты
Услуги Цеха
Анкета
Покупателям
О компании
Телефон:
Каталог
Плитные материалы
Плитные материалы
Всего товаров: 98
Декоры плит Lamarty
Панели Kastamonu
Панели ACRYMAT
Панели EVOGLOSS
Панели EVOSOFT
Панели ACRYLIC
Декоры плит EGGER
Заказ образцов
Фасадные полотна РЕХАУ
Плиты TSS CLEAF
О плитах TSS CLEAF
Фанера SyPly
МДФ Kastamonu
PerfectSense EGGER
PerfectSense
PerfectSense Smart
PerfectSense Top
PerfectSense Лакированные ДСП
Панели AGT
О панелях AGT
Панели AGT 3P двусторонние
Панели AGT Supramat двусторонние
Панели AGT односторонние
МДФ и ХДФ декорированные
ДВП декорированная
МДФ EGGER
Шлифованная ДВП, ХДФ
Фурнитура
Фурнитура
Всего товаров: 7 523
01. МОЙКИ И СМЕСИТЕЛИ
1.1. Мойки каменные
1.2. Мойки из нержавеющей стали
1.3. Раковины и умывальники
1.4. Смесители
1.5. Измельчители
1.6. Аксессуары
02. КРОМОЧНЫЕ МАТЕРИАЛЫ
2.1. Кромка ABS и ПВХ
2.2. Кромка меламиновая с клеем
2.3. Профиль накладной
2.4. Кант врезной
03. ФАСАДНЫЕ, ВРЕЗНЫЕ И НАКЛАДНЫЕ ПРОФИЛИ
3.1. Профиль фасадный
3.2. Профиль врезной
3.3. Профиль накладной
3.4. Профиль для стеклянных полок с подсветкой
04. СИСТЕМЫ ДВЕРЕЙ
4.1. Системы раздвижных дверей
4.2. Системы дверей с верхним подвесом
4.3. Системы складных дверей
4.4. Системы распашных дверей
4.5. Системы мансардных дверей
4.6. ARISTO Система 4 в 1
Стопора для дверей купе
Уплотнители для дверей купе
Шлегель
05. НАПОЛНЕНИЕ ШКАФОВ И ГАРДЕРОБНЫХ КОМНАТ
5.01. Держатели, полки выдвижные
5.02. Выдвижные корзины
5.03. Штанги, держатели для штанг
5.04. Вешалки для брюк, галстуков, ремней
5.05. Пантографы
5.06. Поворотные механизмы для зеркал
5.07. Обувницы
5.08. Алюминиевая интерьерная система VITRA
5.09. Гардеробная система ARISTO
5.10. Стеллажная система ARISTO
5.11. Каркасная система CADRO
06. КУХОННЫЕ КОМПЛЕКТУЮЩИЕ
6.01. Рейки и навески
6.02. Посудосушители
6.03. Рейлинговые навески
6.04. Бокалодержатели и настольные посудосушители
6.05. Полки для барной трубы Q50мм
6.06. Планки для мебельного щита
6.07. Пристеночные плинтуса и аксессуары для них
6.08. Профиля и планки для столешниц
6.09. Поддоны в тумбу под мойку
6.10. Выкатные корзины
6.11. Вкладыши для кухонных принадлежностей
6.12. Системы в угловую базу
6.13. Цоколя и аксессуары для них
6.14. Вёдра и системы сортировки
6.15. Прочее
07. ТРУБЫ И СИСТЕМЫ КРЕПЕЖА
7.1. Рейлинговая система Q16мм
7.2. Система JOCKER Q25мм
7.3. Барная труба Q50мм
08. СИСТЕМЫ ВЫДВИЖНЫХ ЯЩИКОВ
8.1. Ящик AVANTECH YOU
8.2. Ящик InnoTech Atira
8.3. Ящик СТАРТ
8.4. Ящик СТАРТ с тонкими боковинами
8.5. Метабоксы
8.6. Роликовые направляющие
8.7. Шариковые направляющие
8.8. Направляющие скрытого монтажа
8.9. Ящик GTV Модерн Бокс PRO
8.10. Ящик SAMET ALPHABOX
8.6. Ящик SAMET FLOWBOX
09. ПОДЪЁМНЫЕ МЕХАНИЗМЫ
9.1. Газлифты
9.2. Кронштейны
9.3. Подъёмные механизмы для откидывающихся вверх створок
9.4. Подъёмные механизмы с выносом
9.5. Подъёмные механизмы для складных створок
9.6. Механизмы параллельного подъёма фасадов
10. ПЕТЛИ И АМОРТИЗАТОРЫ
10.1. Мебельные петли
10.2. Амортизаторы и толкатели
10.3. Карточные петли
10.4. Потайные петли
10.5. Рояльные петли
10.6. Петли для стеклодверей
10.7. Петли для рамочных профилей
11. СОЕДИНИТЕЛЬНАЯ ФУРНИТУРА
11.1. Эксцентриковая стяжка
11.2. Угловые стяжки
11.3. Конфирмат (евровинт)
11.4. Шурупы
11.5. Полкодержатели
11.6. Стеклодержатели
11.7. Кронштейны для полок
11.8. Стяжки для столешниц
11.9. Прочее
12. ЗАМКИ МЕБЕЛЬНЫЕ
13. ЛИЦЕВАЯ ФУРНИТУРА
13.1. Мебельные ручки
13.2. Профильные ручки
13.3. Крючки
14. ОПОРЫ
14.1. Опоры декоративные
14.2. Опоры для столов
14.3. Опоры колёсные
14.4. Подпятники
15. СТУЛЬЯ И ТАБУРЕТЫ
15.1. Каркасы табуретов
15.2. Каркасы стульев
15.3. Сиденья для табуретов
15.4. Сиденья для стульев
16. ЭЛЕКТРОТЕХНИКА И СВЕТИЛЬНИКИ
16.1. Розетки, выключатели
16.2. Датчики движения
16.3. Инфракрасные выключатели
16.4. Врезные светильники
16.5. Накладные светильники
16.6. Блоки питания, контроллеры, диммеры
16.7. Светодиодная подсветка
16.8. Профили и соединители для светодиодных лент
17. ШАБЛОНЫ, СТАНКИ, ИНСТРУМЕНТ
17. ШАБЛОНЫ, СТАНКИ, ИНСТРУМЕНТ
18. КОМПЛЕКТУЮЩИЕ ДЛЯ ОФИСНОЙ ТЕХНИКИ
18.1. Боксы для дисков
18.2. Полка под клавиатуру
18.3. Кабель-канал
18.4. Подставка под системный блок
19. РЕМОНТНЫЕ МАТЕРИАЛЫ
19.1. Воск
19.2. Штрих
19.3. Клей и силикон
19.4. Карандаш
19.5. Маркер
19.6. Жидкая кожа
19.7. Шпатлёвка
20. ПРОЧЕЕ
20.01. Скотч двусторонний
20.02. Заглушки
20.03. Поворотный механизм под TV
20.04. Муфта для установки ручки в стекле
20.05. Шпингалет
20.06. Механизмы фиксации столешниц
20.07. Магниты
20.08. Декор
20.09. Жалюзи
20.10. Пластиковые профили
20.11. Лестница
20.12. Упаковочные материалы
Столешницы
Столешницы
Всего товаров: 1 030
Скиф (распродажа остатков)
Мебельные щиты Скиф (распродажа остатков)
Форма-Стиль
Форма-Стиль декоры
Столешницы Форма и Стиль 3000-600-38мм
Столешницы Форма и Стиль 3000-1200-38мм
Столешницы Форма и Стиль 4100-600-38 мм
Мебельные щиты Форма и Стиль 3000 мм
Мебельные щиты Форма и Стиль 4100 мм
Кромка Форма и Стиль
Столешницы из компакт-плит Форма и Стиль 3050-650-12мм
Столешницы из компакт-плит Форма и Стиль 4200-650-12мм
Плинтуса Форма и Стиль
АМК ТРОЯ
АМК ТРОЯ декоры
Столешницы АМК Троя 3000-600-26мм
Столешницы АМК Троя 3000-600-38 мм
Столешницы двух завальные АМК Троя 3000-900-26 мм
Столешницы двух завальные АМК Троя 3000-900-38 мм
Столешницы АМК Троя 4100-600-38 мм
Кромка АМК Троя
Мебельные щиты АМК Троя 3000 мм
Мебельные щиты из компакт-плит АМК Троя
Столешницы из компакт-плит АМК Троя
Мебельные щиты АМК Троя 4100 мм
EGGER
Декоры столешниц EGGER
Столешницы EGGER R3 4100-600-38 мм
Столешницы EGGER с торцевой кромкой 4100-650-38 мм
Столешницы EGGER PerfectSense лакированные 4100-650-38 мм
Столешницы EGGER из компакт-плит 4100-650-12 мм
Столешницы двух завальные EGGER R3 4100-920-38 мм
Мебельные щиты EGGER
Плинтуса EGGER
Кромка для столешниц ABS EGGER
Образцы столешниц EGGER
Плинтус Thermoplast
Плинтус 120
Заглушки 120
Уголки 120
Плинтус 850
Плинтус CEZAR
Заглушки для 850 и CEZAR
Уголки для 850 и CEZAR
Плинтус Rehau
Плинтус
Уголки
Заглушки
Компакт-плиты EGGER
Компакт-плиты EGGER
О компакт-плитах EGGER
Пластик EGGER
Пластик EGGER
Всего товаров: 1
О пластике
Мой EGGER
Мой EGGER
Фасады
Фасады
Главная
Каталог
Фурнитура
14. ОПОРЫ
14.1. Опоры декоративные
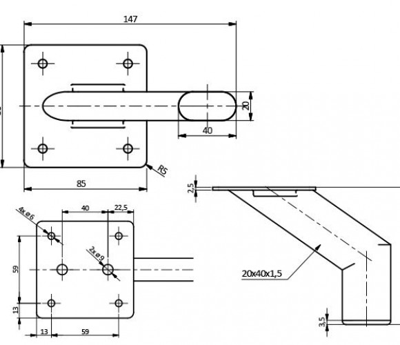
Ножка STOMP-120-20, черная NM-STOMP-120-20
Ножка STOMP-120-20, черная NM-STOMP-120-20
Артикул товара:
36095
Избранные товары
Характеристики
Высота
147 мм
Форма
Изогнутая
Тип
Нерегулируемая
Материал
Металл
Цвет
Черный
Описание
Артикул
NM-STOMP-120-01
Производитель
GTV
Вес, кг
0.300
Единица измерения
шт
Цвет
Черный
Материал
Сталь
Нагрузка, кг
150
Длина товара, мм
147
Ширина товара, мм
20
Высота товара, мм
117
Цена в Уфе
437,61 ₽ / шт
Наличие товара в городах
Челябинск
10 шт
Уфа
10 шт
Тюмень
10 шт
В корзине
Добавить в корзину
Выбрать город
Челябинск
Челябинск, ул. Шарова, 77
+7 (351) 734-97-98 (многоканальный)
Уфа
Республика Башкортостан, Уфа, Базисный проезд, 4
+7 (347) 216-55-40 (многоканальный)
Тюмень
Тюмень, Московский тракт, 136/9
+7 (3452) 66-63-33 (многоканальный) , +7 982 972-27-33