Каталог
Главная
Каталог
Избранное
0
Корзина
0
Войти
Уфа
Квадрат
О компании
Новости
Вакансии
Контакты
Документы
Политика конфиденциальности
Пользовательское соглашение
Соглашение об использовании cookie
Покупателям
Прайсы
Услуги Цеха
Доставка и оплата
Наши партнеры
Материалы для скачивания
Egger
Lamarty
SyPly
Каталог
Плитные материалы
Фурнитура
Столешницы
Компакт-плиты EGGER
Пластик EGGER
Мой EGGER
Фасады
Каталог
Новости
Контакты
Услуги Цеха
Анкета
Покупателям
О компании
Телефон:
Каталог
Плитные материалы
Плитные материалы
Всего товаров: 666
Декоры плит Lamarty
Товары ЛДСП Lamarty
Панели Kastamonu
Панели ACRYMAT
Панели EVOGLOSS
Панели EVOSOFT
Панели ACRYLIC
Декоры плит EGGER
ЛДСП EGGER
ЛМДФ EGGER
Заказ образцов
Фасадные полотна РЕХАУ
Плиты TSS CLEAF
О плитах TSS CLEAF
Фанера SyPly
МДФ Kastamonu
PerfectSense EGGER
PerfectSense
PerfectSense Smart
PerfectSense Top
PerfectSense Лакированные ДСП
Панели AGT
О панелях AGT
Панели AGT 3P двусторонние
Панели AGT Supramat двусторонние
Панели AGT односторонние
МДФ и ХДФ декорированные
ДВП декорированная
МДФ EGGER
Шлифованная ДВП, ХДФ
Фурнитура
Фурнитура
Всего товаров: 8 035
01. МОЙКИ И СМЕСИТЕЛИ
1.1. Мойки каменные
1.2. Мойки из нержавеющей стали
1.3. Раковины и умывальники
1.4. Смесители
1.5. Измельчители
1.6. Аксессуары
02. КРОМОЧНЫЕ МАТЕРИАЛЫ
2.1. Кромка ABS и ПВХ
2.2. Кромка меламиновая с клеем
2.3. Профиль накладной
2.4. Кант врезной
03. ФАСАДНЫЕ, ВРЕЗНЫЕ И НАКЛАДНЫЕ ПРОФИЛИ
3.1. Профиль фасадный
3.2. Профиль врезной
3.3. Профиль накладной
3.4. Профиль для стеклянных полок с подсветкой
04. СИСТЕМЫ ДВЕРЕЙ
4.1. Системы раздвижных дверей
4.2. Системы дверей с верхним подвесом
4.3. Системы складных дверей
4.4. Системы распашных дверей
4.5. Системы мансардных дверей
4.6. ARISTO Система 4 в 1
Стопора для дверей купе
Уплотнители для дверей купе
Шлегель
05. НАПОЛНЕНИЕ ШКАФОВ И ГАРДЕРОБНЫХ КОМНАТ
5.01. Держатели, полки выдвижные
5.02. Выдвижные корзины
5.03. Штанги, держатели для штанг
5.04. Вешалки для брюк, галстуков, ремней
5.05. Пантографы
5.06. Поворотные механизмы для зеркал
5.07. Обувницы
5.08. Алюминиевая интерьерная система VITRA
5.09. Гардеробная система ARISTO
5.10. Стеллажная система ARISTO
5.11. Каркасная система CADRO
06. КУХОННЫЕ КОМПЛЕКТУЮЩИЕ
6.01. Рейки и навески
6.02. Посудосушители
6.03. Рейлинговые навески
6.04. Бокалодержатели и настольные посудосушители
6.05. Полки для барной трубы Q50мм
6.06. Планки для мебельного щита
6.07. Пристеночные плинтуса и аксессуары для них
6.08. Профиля и планки для столешниц
6.09. Поддоны в тумбу под мойку
6.10. Выкатные корзины
6.11. Вкладыши для кухонных принадлежностей
6.12. Системы в угловую базу
6.13. Цоколя и аксессуары для них
6.14. Вёдра и системы сортировки
6.15. Прочее
07. ТРУБЫ И СИСТЕМЫ КРЕПЕЖА
7.1. Рейлинговая система Q16мм
7.2. Система JOCKER Q25мм
7.3. Барная труба Q50мм
08. СИСТЕМЫ ВЫДВИЖНЫХ ЯЩИКОВ
8.1. Ящик AVANTECH YOU
8.2. Ящик InnoTech Atira
8.3. Ящик СТАРТ
8.4. Ящик СТАРТ с тонкими боковинами
8.5. Метабоксы
8.6. Роликовые направляющие
8.7. Шариковые направляющие
8.8. Направляющие скрытого монтажа
8.9. Ящик GTV Модерн Бокс PRO
8.10. Ящик SAMET ALPHABOX
8.11. Ящик SAMET FLOWBOX
8.13. Ящик Hafele Matrix
09. ПОДЪЁМНЫЕ МЕХАНИЗМЫ
9.1. Газлифты
9.2. Кронштейны
9.3. Подъёмные механизмы для откидывающихся вверх створок
9.4. Подъёмные механизмы с выносом
9.5. Подъёмные механизмы для складных створок
9.6. Механизмы параллельного подъёма фасадов
10. ПЕТЛИ И АМОРТИЗАТОРЫ
10.1. Мебельные петли
10.2. Амортизаторы и толкатели
10.3. Карточные петли
10.4. Потайные петли
10.5. Рояльные петли
10.6. Петли для стеклодверей
10.7. Петли для рамочных профилей
11. СОЕДИНИТЕЛЬНАЯ ФУРНИТУРА
11.1. Эксцентриковая стяжка
11.2. Угловые стяжки
11.3. Конфирмат (евровинт)
11.4. Шурупы
11.5. Полкодержатели
11.6. Стеклодержатели
11.7. Кронштейны для полок
11.8. Стяжки для столешниц
11.9. Прочее
12. ЗАМКИ МЕБЕЛЬНЫЕ
13. ЛИЦЕВАЯ ФУРНИТУРА
13.1. Мебельные ручки
13.2. Профильные ручки
13.3. Крючки
14. ОПОРЫ
14.1. Опоры декоративные
14.2. Опоры для столов
14.3. Опоры колёсные
14.4. Подпятники
15. СТУЛЬЯ И ТАБУРЕТЫ
15.1. Каркасы табуретов
15.2. Каркасы стульев
15.3. Сиденья для табуретов
15.4. Сиденья для стульев
16. ЭЛЕКТРОТЕХНИКА И СВЕТИЛЬНИКИ
16.1. Розетки, выключатели
16.2. Датчики движения
16.3. Инфракрасные выключатели
16.4. Врезные светильники
16.5. Накладные светильники
16.6. Блоки питания, контроллеры, диммеры
16.7. Светодиодная подсветка
16.8. Профили и соединители для светодиодных лент
17. ШАБЛОНЫ, СТАНКИ, ИНСТРУМЕНТ
17. ШАБЛОНЫ, СТАНКИ, ИНСТРУМЕНТ
18. КОМПЛЕКТУЮЩИЕ ДЛЯ ОФИСНОЙ ТЕХНИКИ
18.1. Боксы для дисков
18.2. Полка под клавиатуру
18.3. Кабель-канал
18.4. Подставка под системный блок
19. РЕМОНТНЫЕ МАТЕРИАЛЫ
19.1. Воск
19.2. Штрих
19.3. Клей и силикон
19.4. Карандаш
19.5. Маркер
19.6. Жидкая кожа
19.7. Шпатлёвка
20. ПРОЧЕЕ
20.01. Скотч двусторонний
20.02. Заглушки
20.03. Поворотный механизм под TV
20.04. Муфта для установки ручки в стекле
20.05. Шпингалет
20.06. Механизмы фиксации столешниц
20.07. Магниты
20.08. Декор
20.09. Жалюзи
20.10. Пластиковые профили
20.11. Лестница
20.12. Упаковочные материалы
Столешницы
Столешницы
Всего товаров: 1 106
Скиф (распродажа остатков)
Мебельные щиты Скиф (распродажа остатков)
Форма-Стиль
Форма-Стиль декоры
Столешницы Форма и Стиль 3000-600-38мм
Столешницы Форма и Стиль 3000-1200-38мм
Столешницы Форма и Стиль 4100-600-38 мм
Мебельные щиты Форма и Стиль 3000 мм
Мебельные щиты Форма и Стиль 4100 мм
Кромка Форма и Стиль
Столешницы из компакт-плит Форма и Стиль 3050-650-12мм
Столешницы из компакт-плит Форма и Стиль 4200-650-12мм
Плинтуса Форма и Стиль
АМК ТРОЯ
АМК ТРОЯ декоры
Столешницы АМК Троя 3000-600-26мм
Столешницы АМК Троя 3000-600-38 мм
Столешницы двух завальные АМК Троя 3000-900-26 мм
Столешницы двух завальные АМК Троя 3000-900-38 мм
Столешницы АМК Троя 4100-600-38 мм
Кромка АМК Троя
Мебельные щиты АМК Троя 3000 мм
Мебельные щиты из компакт-плит АМК Троя
Столешницы из компакт-плит АМК Троя
Мебельные щиты АМК Троя 4100 мм
EGGER
Декоры столешниц EGGER
Столешницы EGGER R3 4100-600-38 мм
Столешницы EGGER с торцевой кромкой 4100-650-38 мм
Столешницы EGGER PerfectSense лакированные 4100-650-38 мм
Столешницы EGGER из компакт-плит 4100-650-12 мм
Столешницы двух завальные EGGER R3 4100-920-38 мм
Мебельные щиты EGGER
Плинтуса EGGER
Кромка для столешниц ABS EGGER
Плинтус Thermoplast
Плинтус 120
Заглушки 120
Уголки 120
Плинтус 850
Плинтус CEZAR
Заглушки для 850 и CEZAR
Уголки для 850 и CEZAR
Плинтус Rehau
Плинтус
Уголки
Заглушки
Компакт-плиты EGGER
Компакт-плиты EGGER
О компакт-плитах EGGER
Пластик EGGER
Пластик EGGER
Всего товаров: 1
О пластике
Мой EGGER
Мой EGGER
Фасады
Фасады
Мебельные образцы, каталоги
Мебельные образцы, каталоги
Всего товаров: 21
Главная
Каталог
Фурнитура
08. СИСТЕМЫ ВЫДВИЖНЫХ ЯЩИКОВ
8.8. Направляющие скрытого монтажа
a.Subdivision_ID IN (1276,1421,1500) AND a.bPrice > 0 AND (a.bStockUnits > 0 OR a.bLStockDate > '2025-12-01')
8.1. Ящик AVANTECH YOU
8.10. Ящик SAMET ALPHABOX
8.11. Ящик SAMET FLOWBOX
8.13. Ящик Hafele Matrix
8.2. Ящик InnoTech Atira
8.3. Ящик СТАРТ
8.4. Ящик СТАРТ с тонкими боковинами
8.5. Метабоксы
8.6. Роликовые направляющие
8.7. Шариковые направляющие
8.8. Направляющие скрытого монтажа
8.9. Ящик GTV Модерн Бокс PRO
8.8. Направляющие скрытого монтажа
Не показывать недоступные товары
Цена, ₽
Длина (7)
250 мм
300 мм
350 мм
400 мм
450 мм
500 мм
550 мм
Комплектующие (2)
Направляющая левая
Направляющая правая
Производитель (2)
Hafele
Боярд
Тип выдвижения (2)
Полное
Частичное
Функция выдвижения (3)
Демпфирование
Открывание от нажатия
Стандарт
Несущая способность (8)
15 кг
17,5 кг
20 кг
22 кг
22,5 кг
25 кг
27,5 кг
30 кг
Сбросить
Применить
По названию
Сортировать
По названию
По возрастанию цены
По убыванию цены
Фильтры
Sale
артикул: 37189
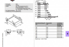
Направляющие скрыт. монт. В-Slide DB8881Zn/450 полного выдв. с доводчиком
1 140,21 ₽ / к/т
В корзине
В корзину
Sale
артикул: 37190
Направляющие скрыт. монт. В-Slide DB8881Zn/500 полного выдв. с доводчиком
1 240,23 ₽ / к/т
В корзине
Временно недоступен
Sale
артикул: 37191
Направляющие скрыт. монт. В-Slide DB8881Zn/550 полного выдв. с доводчиком
1 314,60 ₽ / к/т
В корзине
Временно недоступен
Sale
артикул: 37237
Направляющие скрыт. монт. В-Slide DB8882Zn/300 частичного выдв. с доводчиком
662,53 ₽ / к/т
В корзине
В корзину
Sale
артикул: 37238
Направляющие скрыт. монт. В-Slide DB8882Zn/350 частичного выдв. с доводчиком
730,54 ₽ / к/т
В корзине
В корзину
Sale
артикул: 37239
Направляющие скрыт. монт. В-Slide DB8882Zn/400 частичного выдв. с доводчиком
781,79 ₽ / к/т
В корзине
Временно недоступен
Sale
артикул: 37192
Направляющие скрыт. монт. В-Slide DB8882Zn/450 частичного выдв. с доводчиком
825,74 ₽ / к/т
В корзине
В корзину
Sale
артикул: 37193
Направляющие скрыт. монт. В-Slide DB8882Zn/500 частичного выдв. с доводчиком
863,80 ₽ / к/т
В корзине
Временно недоступен
Sale
артикул: 37240
Направляющие скрыт. монт. В-Slide DB8882Zn/550 частичного выдв. с доводчиком
877,56 ₽ / к/т
В корзине
Временно недоступен
артикул: 51710
Направляющие скрыт. монт. В-Slide DB9991Zn/300 с 3D-регулировкой, полного выдв. с довод.
922,91 ₽ / к/т
В корзине
В корзину
артикул: 51709
Направляющие скрыт. монт. В-Slide DB9991Zn/350 с 3D-регулировкой, полного выдв. с довод.
1 014,49 ₽ / к/т
В корзине
В корзину
артикул: 51211
Направляющие скрыт. монт. В-Slide DB9991Zn/400 с 3D-регулировкой, полного выдв. с довод.
1 482,14 ₽ / к/т
В корзине
В корзину
New
артикул: 51226
Направляющие скрыт. монт. В-Slide DB9991Zn/450 с 3D-регулировкой, полного выдв. с довод.
1 560,35 ₽ / к/т
В корзине
В корзину
артикул: 51227
Направляющие скрыт. монт. В-Slide DB9991Zn/500 с 3D-регулировкой, полного выдв. с довод.
1 663,97 ₽ / к/т
В корзине
В корзину
артикул: 45470
Направляющие скрытого монтажа push-to-open DB7776Zn/300 БОЯРД
523,00 ₽ / к/т
В корзине
В корзину
артикул: 45298
Направляющие скрытого монтажа push-to-open DB7776Zn/400 БОЯРД
568,62 ₽ / к/т
В корзине
В корзину
артикул: 45299
Направляющие скрытого монтажа push-to-open DB7776Zn/450 БОЯРД
615,82 ₽ / к/т
В корзине
В корзину
артикул: 45471
Направляющие скрытого монтажа push-to-open DB7776Zn/500 БОЯРД
678,42 ₽ / к/т
В корзине
В корзину
артикул: 52064
Направляющие СКРЫТОГО монтажа push-to-open DB8785Zn/300 полного выдв.
963,02 ₽ / к/т
В корзине
В корзину
артикул: 52065
Направляющие СКРЫТОГО монтажа push-to-open DB8785Zn/350 полного выдв.
1 050,70 ₽ / к/т
В корзине
В корзину
артикул: 52066
Направляющие СКРЫТОГО монтажа push-to-open DB8785Zn/400 полного выдв.
1 059,72 ₽ / к/т
В корзине
В корзину
артикул: 52067
Направляющие СКРЫТОГО монтажа push-to-open DB8785Zn/450 полного выдв.
1 188,69 ₽ / к/т
В корзине
В корзину
артикул: 52068
Направляющие СКРЫТОГО монтажа push-to-open DB8785Zn/500 полного выдв.
1 249,00 ₽ / к/т
В корзине
В корзину
Sale
артикул: 37668
Направляющие СКРЫТОГО монтажа push-to-open DB8885Zn/350 полного выдв.
1 486,71 ₽ / к/т
В корзине
В корзину
Sale
артикул: 37669
Направляющие СКРЫТОГО монтажа push-to-open DB8885Zn/400 полного выдв.
1 580,07 ₽ / к/т
В корзине
В корзину
Назад
3
4
5
6
7
Вперед
Выбрать город
Челябинск
Челябинск, ул. Шарова, 77
+7 (351) 734-97-98 (многоканальный)
Уфа
Республика Башкортостан, Уфа, Базисный проезд, 4
+7 (347) 216-55-40 (многоканальный)
Тюмень
Тюмень, Московский тракт, 136/9
+7 (3452) 66-63-33 (многоканальный) , +7 982 972-27-33